Cynhyrchion

ZN85-40.5K Torri Cylched Gwactod
2. Mecanwaith Gweithredu: Mecanwaith Gweithredu Integredig.
3. Dull Gosod: Gosodiad sefydlog.
4. Cabinetau Cydnaws: Yn gydnaws â chyfres XGN neu offer switsio 40.5kV arall wedi'i weldio a'i ymgynnull.
5. Cynnyrch yn cydymffurfio â Safonau: GB/T1984-2014, GB/T11022-2011.
6. Manteision Cynnyrch: E2-C2-Perfformiad M2, sefydlogrwydd a dibynadwyedd, perfformiad inswleiddio rhagorol, ac ystod eang o gymwysiadau.
Mae torrwr cylched gwactod ZN85-40.5K yn offer switsh dan do ar gyfer foltedd graddedig 40.5kV ac amledd AC 50/60Hz. Mae'n mabwysiadu mecanwaith gweithredu ffrâm integredig ac mae'n addas ar gyfer amrywiol fentrau diwydiannol a mwyngloddio, yn ogystal ag offer grid pŵer, sydd â chyd-gloi mecanyddol cyfatebol, ac sy'n gydnaws â chabinetau sefydlog megis XGN2.
Manylebau Cynnyrch
ManylebSheet
|
Nac ydw. |
Enw |
Uned |
Data |
|
1 |
Foltedd Cyfradd |
kV |
40.5 |
|
2 |
Amlder â Gradd |
Hz |
50 |
|
3 |
Wedi'i raddioCbrys |
A |
630/1250/1600/2000/2500/3150/4000 |
|
4 |
Wedi'i raddioPowerFamlderWithstandVoltage |
kV |
95 |
|
5 |
Wedi'i raddioLmelltenIysgogiadWithstandVoltage |
kV |
185 |
|
6 |
Wedi'i raddioShort-CircuitBadlamCbrys |
kA |
25/31.5/40 |
|
7 |
Wedi'i raddioShort-CircuitMakingCbrys (Peak) |
kA |
63/80/100 |
|
8 |
Wedi'i raddioWithstandCbrys (Peak) |
kA |
63/80/100 |
|
9 |
Wedi'i raddioDuration oShort-Circuit |
s |
4 |
|
10 |
GweithreduCycles ynRbwytaShort-CircuitBadlamCbrys |
Beiciau |
E2 |
|
11 |
MecanyddolEdygnwch |
Amseroedd |
10000 |
|
12 |
Gweithredu SafonolShafaliad |
- |
O-0.3s-CO-180s-CO |
|
13 |
Caniataol Wear Thickness oCcyswllt |
mm |
Llai na neu'n hafal i 3 |
Nodweddion mecanyddol
|
Nac ydw. |
Enw |
Uned |
Data |
|
1 |
Clirio rhwngWedi'i Symud a'i Sefydlog Ccyswllt |
mm |
19±2 |
|
2 |
CysylltwchGordeithio |
mm |
4±1 |
|
3 |
CyfartaleddCcolliSpeed |
m/s |
0.7±0.2 |
|
4 |
CyfartaleddOpeningSpeed (AcyfartaleddSpeedo Agoriad Cyntafyn12mm) |
m/s |
1.7±0.3 |
|
5 |
Wedi'i raddioCcyswllt Pwysau |
N |
3100±200N(25kA/31.5kA) 4800±300N(40kA) |
|
6 |
Amser Cau |
ms |
30-70 |
|
7 |
Amser Agor |
ms |
20-50 |
|
8 |
CysylltwchBownsDuration ynCcolliOperation |
ms |
Llai na neu'n hafal i 3 |
|
9 |
Na-SanwireddoYn cau/Opening Gweithrediadauo 3-Phase |
ms |
Llai na neu'n hafal i 2 |
Mae gan torrwr cylched gwactod ZN85-40.5K lawer o fanteision:
01
Perfformiad torrwr cylched
E2-C2-M2
02
Sefydlogrwydd a dibynadwyedd
mae'n mabwysiadu'r mecanwaith gweithredu gwanwyn integredig ffrâm mwyaf aeddfed, gyda dros 20 mlynedd o brofiad o ddefnyddio'r farchnad, gan sicrhau diogelwch, dibynadwyedd, a chydnabyddiaeth uchel o'r farchnad.
03
Perfformiad inswleiddio rhagorol
mae'r prif gylched dargludol yn mabwysiadu silindr cyfansawdd resin epocsi cryfder uchel APG, sy'n rhagori ar safon IEC o ran perfformiad inswleiddio.
04
Ystod eang o gymwysiadau
mae gan y gyfres gynnyrch ystod eang o gymwysiadau, cerrynt â sgôr o 630A i 4000A, a cheryntau torri graddedig o 20kA i 40kA. Mae'n addas ar gyfer pob amgylchedd o fewn uchder o 2000 metr a thymheredd gweithredu o -40 gradd i 40 gradd.
Cymwysiadau Cynnyrch
Mae gan torrwr cylched gwactod ZN85-40.5K lawer o gymwysiadau:
Meysydd ynni newydd (ffotofoltäig, ynni gwynt)
Meysydd diwydiannol (diwydiant cemegol, dur, petrolewm, glo, ac ati)
Systemau grid pŵer
Seilwaith pŵer
Prosiectau cynnyrch defnyddwyr yn ôl-osod
Llun Amlinelliad o'r Cynnyrch

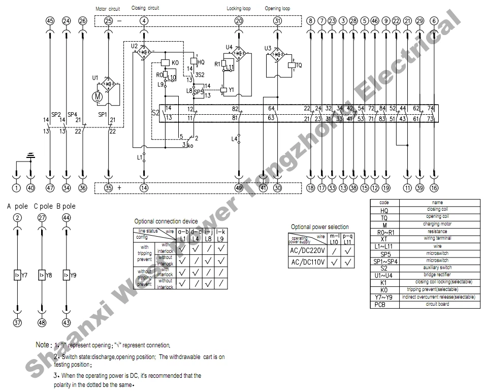
Diagram Gwifrau Uwchradd

Tagiau poblogaidd: torrwr cylched gwactod zn85-40.5k, Tsieina zn85-40.5k torrwr cylched gwactod gweithgynhyrchwyr, cyflenwyr, ffatri
-
VS1-24 Torri Cylched Gwactodgweld mwy> -
VS{0}} Torri Cylched Gwactod gyda Mecanwaith Gweithredu O...gweld mwy> -
VTZ{0}}C Torri Cylched Gwactod gyda Mecanwaith Gweithredu...gweld mwy> -
VTZ/CS-12 Torri Cylched Gwactod gyda Mecanwaith Gweithred...gweld mwy> -
VTZ-40.5K Torri Cylched Gwactodgweld mwy> -
ZN39-40.5 Torri Cylched Gwactodgweld mwy>







